Treffer Power System Solution

PFC Components

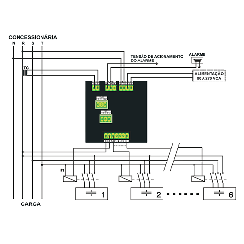
Power Factor Controller

HT Motor Power Factor Improvement

A cutting-edge solution designed to optimize power factor and enhance energy efficiency for high-voltage motors. With state-of-the-art technology, this product helps reduce electricity consumption and lowers operational costs, ensuring sustainable and eco-friendly performance. Upgrade your motor systems today for improved productivity and energy savings.

Specifications :

  • Rating: 100 HP 200 HP 500 HP
  • Voltage: 3.3 kV to 11 kV.
  • Application: Oil and Gas Industries and Mining Operations